銅線用 Y形裸圧着端子(先開形) 電線サイズ 0.75
【ニチフ】
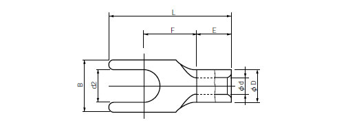
銅線用 裸圧着端子 (Y形)先開形。
■材料 端子:無酸素銅(電気すずめっき)
■定格電流:絶縁電線の許容電流(電気設備技術基準公示第29条)に基づいています。
-
仕様
-
在庫価格照会

| 型番 | 各部の寸法mm | 電線抱合範囲 | |||||||
|---|---|---|---|---|---|---|---|---|---|
| d2 | B | L | F | E | ΦD | φd | 撚線 mm2 | AWG | |
| 0.75Y-3 | 3.2 | 5.6 | 14.5 | 5.8 | 4.5 | 2.5 | 1.4 | 0.3~0.75 | 22-18 |
| 0.75Y-35 | 3.7 | 5.8 | 14.5 | 5.8 | 4.5 | 2.5 | 1.4 | 0.3~0.75 | 22-18 |
| 0.75Y-4 | 4.3 | 6.4 | 15.0 | 6.0 | 4.5 | 2.5 | 1.4 | 0.3~0.75 | 22-18 |
※販売単位:100ヶ/箱
適用工具
| サイズ | 適用手動工具 | ||
|---|---|---|---|
| 0.3 | NH60(UL.CSA) | ||
| 0.75 | NH67 | ||
| 1.25 | NH1(JIS/UL.CSA) | NH61(JIS) | |
| 2 | NH1(JIS/UL.CSA) | NH9(JIS/UL.CSA) | NH61(JIS) |
| 3.5 | NH1(JIS/UL.CSA) | NH9(JIS/UL.CSA) | |
| 5.5 | NH1(JIS/UL.CSA) | NH9(JIS/UL.CSA) | |




