Y形裸圧着端子 1.25Y (300個入りパック)
【ニチフ】
【ニチフ】
Y形裸圧着端子 1.25Y(300個入りパック)
●材料 端子:無酸素銅(電気すずめっき)
●定格電流:絶縁電線の許容電流(電気設備技術基準公示第29条)に基づいています。
※取得規格
○ UL・CSA登録品
・UL ファイルNo.E44245にて承認。
・CSA C22.2に適合
・CSA ファイルNo.LR-28418にて承認。
(注)UL・CSA登録品としてご使用の際は、UL/CSA適用工具をご使用ください。
■販売単位は、300個入り/袋
※1.25Y-3Sの接触部形状は丸形となります。

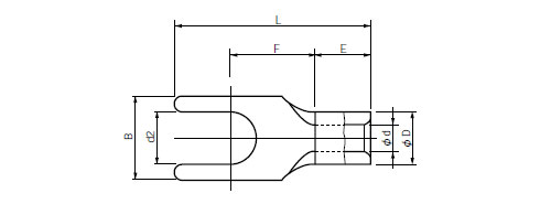
| 型番 | 各部の寸法mm | 電線抱合範囲 | ||||||||
|---|---|---|---|---|---|---|---|---|---|---|
| d2 | B | L | F | E | ΦD | φd | 単線 mm | より線 mm2 | AWG | |
| 1.25Y-3K | 3.2 | 5.6 | 15.0 | 5.8 | 4.5 | 3.40 | 1.7 | 0.57 〜1.44 | 0.25 〜1.65 | 22・16 |
| 1.25Y-3N | 3.2 | 5.8 | 16.0 | 6.6 | 4.5 | 3.40 | 1.7 | 0.57 〜1.44 | 0.25 〜1.65 | 22・16 |
| 1.25Y-3.5K | 3.7 | 5.6 | 15.0 | 5.8 | 4.5 | 3.40 | 1.7 | 0.57 〜1.44 | 0.25 〜1.65 | 22・16 |
| 1.25Y-3.5 | 3.7 | 5.8 | 15.0 | 5.8 | 4.5 | 3.40 | 1.7 | 0.57 〜1.44 | 0.25 〜1.65 | 22・16 |
| 1.25Y-4N | 4.3 | 6.4 | 16.4 | 6.6 | 4.5 | 3.40 | 1.7 | 0.57 〜1.44 | 0.25 〜1.65 | 22・16 |
注1:0.3~0.5(UL・CSA指定)
注2:22・20(UL・CSA指定)




