ビニル電線管付属品 2号コネクタ 2K
【未来工業】
※14・16のSタイプは16ノック穴(φ22mm)にも取付けられる、
ノック径(φ22mm・φ27mm)兼用のコンパクトタイプです。
(JIS C8432)
・高耐候性
・耐衝撃性
-
仕様
-
在庫価格照会

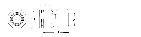
| 品番 | 適合管 | 適合 ノック アウト径 | ネジの 呼び | B | ΦD | L1 | L2 | l | メーカー 取扱数(注) |
|---|---|---|---|---|---|---|---|---|---|
| 2K-14S※ | VE14 | φ22mm・16 φ27mm・22(25)兼用 | G1/2 | 30 | 22 | 18 | 43 | 25 | 10/袋 |
| 2K-16S※ | VE16 | 30 | 26 | 18 | 47 | 30 | 10/袋 | ||
| 2K-14※ | VE14 | φ27mm・22(25)用 | G3/4 | 31 | 22 | 17 | 44 | 25.5 | 10/袋 |
| 2K-16※ | VE16 | 31 | 26 | 17 | 50 | 31 | 10/袋 | ||
| 2K-22※ | VE22 | 31 | 30 | 17 | 54 | 36 | 10/袋 | ||
| 2K-28※ | VE28 | φ34mm・28(31)用 | G1 | 41 | 40 | 23 | 64 | 41 | 10/袋 |
| 2K-36※ | VE36 | φ42mm | G1 1/4 | 50 | 50 | 25 | 69 | 44.5 | 1 |
| 2K-42※ | VE42 | φ48mm | G1 1/2 | 57 | 57 | 31 | 85 | 56 | 1 |
| 2K-54※ | VE54 | φ60mm | G2 | 70 | 70 | 35 | 97 | 64 | 1 |
| 2K-70※ | VE70 | φ76mm | G2 1/2 | 86 | 86 | 40 | 110 | 72 | 1 |
| 2K-82※ | VE82 | φ89mm | G3 | 101 | 101 | 44 | 144 | 73 | 1 |
※は色記号。
J:ベージュ
M:ミルキーホワイト
無印:グレー
HI:濃紺
(注)「メーカー取扱数」は、メーカー取寄品の販売単位です。




