フロートなしスイッチ 61F-G□N(コンパクトタイプ) リレーユニット 61F-11N
【オムロン(制御機器)】
【オムロン(制御機器)】
レベル機器 フロートなしスイッチ形61F-G□N。
リニューアル、待機電力を削減し、さらに軽量化を実現。コンパクトタイプ。
●待機電力を当社従来品比の85%以下に低減( 形61F-GNにて)
●質量を当社従来品比85%以下に軽量化( 形61F-G3N、G4Nにて)
●動作状態がひとめでわかるLED動作表示つき
●内部リレーの信頼性向上(微小負荷DC5V 1mA)によりPLC入力が可能
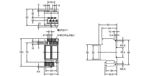
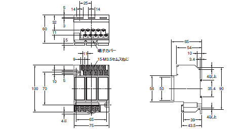
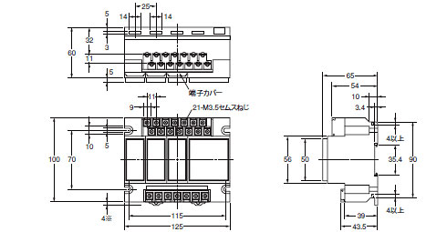
●電極側端子とその他の配線端子が分離されているため配線作業が容易
●取りつけは、JEM協約取りつけ、DINレール取りつけ、ねじ取りつけの3方式が選択可能
<制御用途>
●61F-GN :自動給・排水
●61F-G1N :空転防止または渇水警報を兼ねた自動給水
●61F-G2N :増水警報を兼ねた自動給・排水
●61F-G3N :満水・渇水警報を兼ねた自動給・排水
●61F-G4N :給水槽と受水槽の水位表示と渇水による空転防止を兼ねた自動給水
●61F-IN :水位表示と警報(Iに2線式用はありません。)
●61F-11N :リレーユニット
<種類:形式末尾>
●61F-*□N 無記入:一般用
●61F-*□N L 2KM :遠距離配線2km
●61F-*□N L 4KM :遠距離配線4km
●61F-*□N H :高感度用
●61F-*□N D :低感度用
●61F-*□N R :2線式用







