φ16LED照光押しボタンスイッチ 角平形・モメンタリ AF16F0Mシリーズ
【富士電機】
【富士電機】
<特長>
●操作部・接点部を一体化しパネル奥行寸法を縮小。標準形は28.4mm,薄形は35.9mm に統一。
●標準形の他に薄形を用意。パネルデザインに合わせて選定が可能。
●各種ソケットを用意し配線省力化を実現。
●RoHS(EU指令 2002/95/EC)に対応。
●UL/CSA規格,中国強制認証CCCおよび TUV (EN規格)を認定取得。
●CEマークを表示。
<仕様>
●使用周囲温度:-10~+55℃ ただし,氷結,結露なきこと
●操作部(表示部)保護構造
:IP65(耐じん形・防噴流形)
:IEC 60529, IP65F(耐じん形・防噴流形・防油形)
:JIS C 0920
-
仕様
-
在庫価格照会
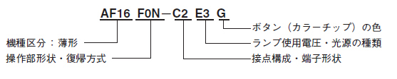
形式構成





