近接センサ APS4-S/Mシリーズ
【ジェイテクトエレクトロニクス】
センサAPS4-S/Mシリーズは、小型で前面検出と上面検出の2タイプ。UL取得、CEマーク対応。樹脂モールドタイプで保護等級はIP67。
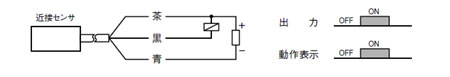
●直流3線式
●非埋込み形
●出力形態 NPN NO
●実効動作距離4mm±10%
●保護等級:IP67
●リード線:耐油ケーブル1.0M、外径(φ3)0.18mm2 3芯
センサAPS4-S/Mシリーズは、小型で前面検出と上面検出の2タイプ。UL取得、CEマーク対応。樹脂モールドタイプで保護等級はIP67。
●直流3線式
●非埋込み形
●出力形態 NPN NO
●実効動作距離4mm±10%
●保護等級:IP67
●リード線:耐油ケーブル1.0M、外径(φ3)0.18mm2 3芯




