ネジアップ式端子台 AT-150シリーズ
【東洋技研】
【東洋技研】
東洋技研が世に先駆けて製品化したネジアップ式端子台シリーズ。その高い品質と機種の豊富さは今もなおベストセラー機種のひとつにあげられています。
緩めた端子ネジは、内部のバネ構造により持ち上がったまま自己保持されますので、(AT-10~AT-150)ネジの脱落による短絡事故、紛失等が防げます。
適合レールは専用の20mm巾のレール。またはDIN35mm対応端子台と共用できるDASタイプです
ショートバー(SB、SBR、BB、BBR、GB、GBR、OB、OBR)
の取り寄せ品は10本以上でご注文ください。
10本未満のご注文の場合、承れません。
-
仕様
-
在庫価格照会
ネジアップ式端子台 AT-150シリーズ 定格
| 一般仕様 | |||
|---|---|---|---|
| 電線サイズ | 22mm2 | 38mm2 | 60mm2 |
| 絶縁電圧 | AC/DC600V | ||
| 通電電流 | 90A | 130A | 160A |
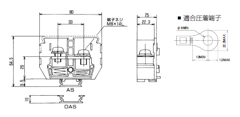
※端子ねじ:M8x14L±ナベ+SP
※締付トルク:9N・m
ネジアップ式端子台 AT-150シリーズ 寸法図

ネジアップ式端子台 AT-150シリーズ アクセサリ

ネジアップ式端子台 AT-150シリーズ 組端子台




