ネジアップ式端子台 AT-20シリーズ
【東洋技研】
【東洋技研】
東洋技研が世に先駆けて製品化したネジアップ式端子台シリーズ。その高い品質と機種の豊富さは今もなおベストセラー機種のひとつにあげられています。
緩めた端子ネジは、内部のバネ構造により持ち上がったまま自己保持されますので、(AT-10~AT-150)ネジの脱落による短絡事故、紛失等が防げます。
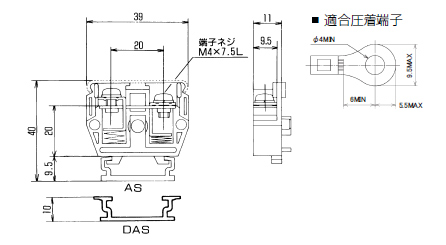
適合レールは専用の20mm巾のレール。またはDIN35mm対応端子台と共用できるDASタイプです。
ショートバー(SB、SBR、BB、BBR、GB、GBR、OB、OBR)
の取り寄せ品は10本以上でご注文ください。
10本未満のご注文の場合、承れません。
-
仕様
-
在庫価格照会
ネジアップ式端子台 AT-20シリーズ 定格
| 一般仕様 | |||
|---|---|---|---|
| 電線サイズ | 2mm2 | 3.5mm2 | 5.5mm2 |
| 絶縁電圧 | AC/DC600V | ||
| 通電電流 | 20A | 30A | 40A |
※端子ねじ:M4x7.5L±ナベセムス
※締付トルク:1.8N・m
ネジアップ式端子台 AT-20シリーズ 寸法図

ネジアップ式端子台 AT-20シリーズ アクセサリ

ネジアップ式端子台 AT-20シリーズ 組端子台




