C型20mmレール対応ネジアップ式端子台 ATJ-30シリーズ
【東洋技研】
【東洋技研】
●バネを利用したネジアップ機構の採用で配線作業がグーンと楽になります。
●結線ビスは長い仕様になっていますので複数の圧着端子がしっかり止まります。
●絶縁材には、耐電圧、絶縁抵抗に優れているPPE樹脂を使用しています。
●適合レールは専用の20mm幅のレール。またはDIN35mm対応端子台と共用できるDASタイプです。
ショートバー(SB、SBR、BB、BBR、GB、GBR、OB、OBR)
の取り寄せ品は10本以上でご注文ください。
10本未満のご注文の場合、承れません。
-
仕様
-
在庫価格照会
ネジアップ式端子台 ATJ-30シリーズ 定格
| 一般仕様 | |||
|---|---|---|---|
| 電線サイズ | 3.5mm2 | 5.5mm2 | 8mm2 |
| 絶縁電圧 | AC/DC660V | ||
| 通電電流 | 30A | 40A | 50A |
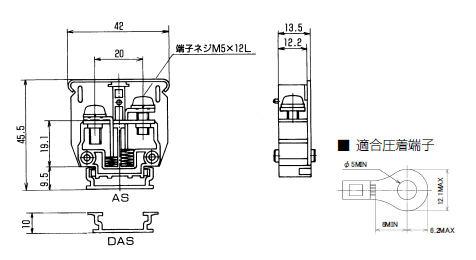
※端子ねじ:M5x12L±ナベ+SP
※締付トルク:3N・m
ネジアップ式端子台 ATJ-30シリーズ 寸法図

ネジアップ式端子台 ATJ-30シリーズ アクセサリ

ネジアップ式端子台 ATJ-30シリーズ 組端子台




