樹脂製端子箱 BOXTM-2002-UB
【ユーボン】
【ユーボン】
樹脂製端子箱 BOXTM-2002-UB
※販売単位:1個
BOXTMシリーズは、産業用設備等にマッチするコンパクトな樹脂製端子箱です。
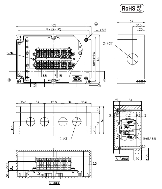
<仕様>BOXTM-2002
●端子局数: 20
●電線取込口数:(φ27×2、φ21×4)
●サイズ:185×120×69(WxHxD)mm
●保護構造:IP65
<定格>
●定格電圧:AC、DC 600V
●定格電流:15A(BOXTM-401 20A)
●適合電線2.0㎜2/MAX
●本体材質強化:PBT(5Y7/1)
●端子ネジ:M3.5×8L(SWCH-亜鉛メッキ)
●パッキン:NBR
●難燃性:UL94V-O
●使用温度範囲:-25℃~100℃
-
仕様
-
寸法図




