ジュラコン(R) スペーサー(六角) BS-E シリーズ
【廣杉計器】
ジュラコン(R) スペーサー(六角) BS-E
●本体材質:ジュラコン(R)(POM)
色:乳白色
熱変形温度:1.82Mpa…110℃
UL規格:UL94-HB(材料)
●オネジ材質:快削黄銅(C3604BD)
カドミウム含有量75ppm未満
処理:ニッケルメッキ(Ni)
※ジュラコン(R)はポリプラスチックス株式会社の日本その他の国の登録商標である
-
仕様
-
在庫価格照会
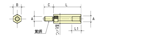
BS-Eシリーズ 寸法図

| 型式 | A | L | L1 | B | C | ツバ径 |
|---|---|---|---|---|---|---|
| BS-2010E | M2 | 10 | 4 | 5 | 3 | |
| BS-2015E | M2 | 15 | 4 | 5 | 3 | |
| BS-2020E | M2 | 20 | 4 | 5 | 3 | |
| BS-310E | M3 | 10 | 5.5 | 6 | 4 | |
| BS-315E | M3 | 15 | 5.5 | 6 | 4 | |
| BS-320E | M3 | 20 | 5.5 | 6 | 4 | |
| BS-325E | M3 | 325 | 5.5 | 6 | 4 | |
| BS-330E | M3 | 30 | 5.5 | 6 | 4 | |
| BS-335E | M3 | 35 | 5.5 | 6 | 4 | |
| BS-340E | M3 | 40 | 5.5 | 6 | 4 | |
| BS-410E | M4 | 10 | 5.5 | 7 | 8 | 5 |
| BS-415E | M4 | 15 | 10.5 | 7 | 8 | 5 |
| BS-420E | M4 | 20 | 15.5 | 7 | 8 | 5 |
| BS-425E | M4 | 25 | 20.5 | 7 | 8 | 5 |
| BS-430E | M4 | 30 | 25.5 | 7 | 8 | 5 |
| BS-435E | M4 | 35 | 30.5 | 7 | 8 | 5 |
| BS-440E | M4 | 40 | 35.5 | 7 | 8 | 5 |
| BS-445E | M4 | 45 | 40.5 | 7 | 8 | 5 |
| BS-450E | M4 | 50 | 45.5 | 7 | 8 | 5 |
※L寸の公差:
L=15迄±0.1
L=16~100迄±0.2
L=110より±0.3




