ブッシング(ゴム脚) BU-4850
【サトーパーツ】
ブッシング(ゴム脚) BU-4850
※形番構成: BU-4850-サイズ
(仕様)
・サイズ: A,B,C
・主絶縁材: 低密度ポリエチレン
・本体色: 黒
・パネル取付方式: ネジ止め
※メーカー取寄品の取扱い単位は、1袋(100個入)です。
-
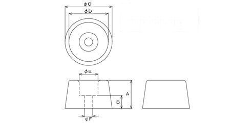
寸法
-
在庫価格照会
BU-4850寸法表
| 型式 | A | B | C | D | E | F |
|---|---|---|---|---|---|---|
| A | 8 | 3.5 | 15 | 13.8 | 7.2 | 3.2 |
| B | 12 | 5.5 | 20 | 16.7 | 8 | 3.5 |
| C | 16 | 7.5 | 25 | 21 | 9 | 3.5 |




