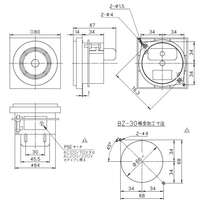
パネル径 Φ67盤用ブザー BZ-30
【サクサプレシジョン(コビシ電機)】
パネル径φ67に対応する盤用ブザーです。
付属の取付金具により、工具無しでパネルに取付可能です。
(共通仕様)
・仕様温度範囲(℃):-10~+40
・保存温度(℃):-20~+50
・使用周囲湿度(%)RH:45~85
・絶縁抵抗MΩ以上:100
・重量(g):175
・外装:黒
-
製品画像/寸法図
-
BZ-30 AC100
-
BZ-30 AC200
-
BZ-30 DC24
-
在庫価格照会

BZ-30 寸法図

設置イメージ


製品画像(側面)

端子カバー




