DINレール用穴ナシスイッチ取付金具 DHM-NH
【ユーボン】
【ユーボン】
<販売単位>
・穴ナシスイッチ取付金具 DHM-NH:1袋(1個入り)
・DINレールマルチアダプタ DHM:1袋(1個入り)
※セット販売品ではありません。
(特長)
●スイッチ類取付金具(穴加工未処理品)。
盤内に小物スイッチ類を取付の際、取付穴を自由に加工できます。またDINマルチアダプターにも取付できます。
●材質:SPC…t =1.6 三価クロメートメッキ
●M4ビス 2本付属
-
仕様
-
在庫価格照会
| 形式 | 仕様 | 備考 | 販売単位 |
|---|---|---|---|
| DHM-NH | 穴ナシスイッチ取付金具 | DHMは、別売です。 | 1袋(1個入り) |
| DHM | DINレールマルチアダプタ | DHM-NHは、別売です。 | 1袋(1個入り) |
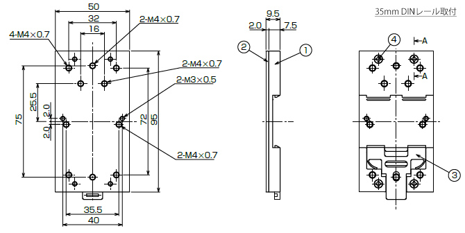
穴ナシスイッチ取付金具(DHM-NH)寸法図
※DINレールマルチアダプタ(DHM)は、別売です。

DINレールマルチアダプタ(DHM)寸法図
※穴ナシスイッチ取付金具(DHM-NH)は、別売です。




