DINレール マルチアダプタ取付金具 DHMシリーズ
【ユーボン】
【ユーボン】
特長
●DINレールマルチアダプターは、ワンタッチでDINレールに取付ができます。
●1種類のアダプターで、テーブルタップ1極/2極・ノイズフィルター 2シリーズ等をDINレールに取付することができます。
※別売スイッチ取付金具を使用すれば、6.5φ、12.5φスナップスイッチ。16φ、22φ、25φ、30φの押ボタンスイッチ・ボリューム等がDINレールに取付することができます。
※各種「スイッチ取付金具」をDINレールにてご使用の際は、
DINレール マルチアダプタ取付金具「DHM」を合わせてご購入ください。
材質
●樹脂部:ポリカーボネイト + ポリプロピレン
●金属部:SUS 304
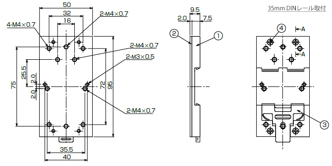
※右上の画像は、DINレールマルチアダプタ「DHM」です。
<販売単位>
・1袋(1個入り)




