DINレール スナップスイッチ・ボリューム取付金具 DHSW、DHシリーズ
【ユーボン】
【ユーボン】
用途
スナップスイッチ、トグルスイッチ、ボリューをDINレールに取付する金具です。
材質
スナップスイッチ取付金具:Spc 1.2t 三価クロメートメッキ
ボリューム用取付金具:SUS 304
<販売単位>
・DHSW-M 1袋(1セット)DIN用ベース付き
・DHSW-S 1袋(1セット)DIN用ベース付き
・DHVRS 1袋(1個入り)※ベースDHB-30は別売
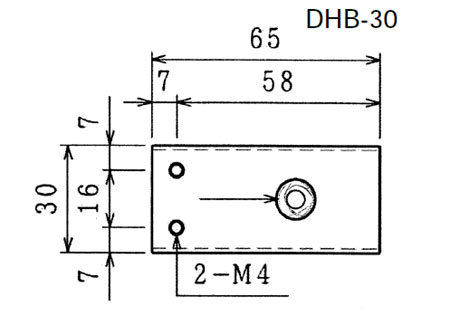
・DHB-30 1袋(1個入り)
※ボリューム用取付金具は、別売のDIN用ベース(DHB-30)と組合わせて取り付けます。
-
仕様
-
DHSW-M/S 寸法図
-
DHVRS 寸法図
-
DHB30 寸法図
-
在庫価格照会




