DHホルダー DHWKシリーズ
【ユーボン】
【ユーボン】
DHWK1-N
DHホルダー
材質
Spc 1.2t
電気亜鉛めっき三価クロメート処理仕上
<販売単位>
・1袋(1ヶ入り)
<適用機種>
適用コンセント:
パナソニック製WK1012W・1013W・1821・
WK3001W・3821・3012・3811
東芝ライテック製DC1121(W)
明工社製ME2726W・MR2770W・MR2732W
適用タンブラスイッチ:
パナソニック製WS3001W・WS3002W
明工社製:MR3020・MR3021・MR3204
-
仕様
-
在庫価格照会
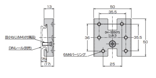
DHWK1-N寸法図

旧製品 DHWK1 寸法図




