固定形端子台 JTP20シリーズ
【東朋テクノロジー】
【YOSHIDA端子台事業】
<特長>
●一体成形の固定端子台
●極数:2極~20極
●取付用サービスビスがセット(脱落防止構造)
<一般仕様>
●定格電圧:600V
●定格電流:25A
●適合電線:5.5mm2
●端子台材質:ポリカーボネート
-
仕様
-
在庫価格照会

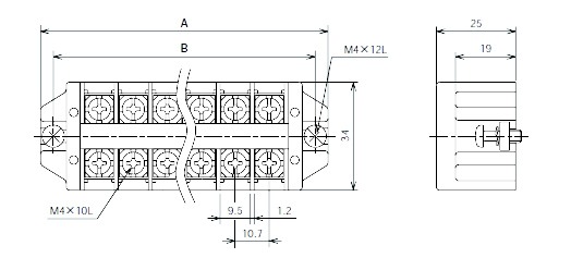
| 形式 | 極数 | A | B |
|---|---|---|---|
| JTP20-2U | 2 | 48 | 40 |
| JTP20-3U | 3 | 59 | 51 |
| JTP20-4U | 4 | 70 | 61 |
| JTP20-6U | 6 | 91 | 83 |
| JTP20-8U | 8 | 112 | 104 |
| JTP20-10U | 10 | 134 | 126 |
| JTP20-12U | 12 | 155 | 146 |
| JTP20-16U | 16 | 198 | 189 |
U:角座金付きセルフアップねじタイプ




