LMA240Fシリーズ 医療用電源
【コーセル】
<LMA240Fの特長>
・医用機器規格対応
・低漏洩電流
・デュアルヒューズ内蔵
・LFA / LFPシリーズと取付コンパチ
・2倍のピーク出力を実現したオプション「-H」を設定
・強制通風時、定格出力電力 300W (1.25倍)を実現
・リモートコントロールオフ時、待機電力を低減(0.7W typ at AC200V 時)したオプション「-R2」を設定
・高調波電流規制対応(IEC61000-3-2 クラスA 準拠)
<安全規格>
EN60601-1 3rd
ANSI/AAMI ES60601-1
CEマーキング適合
低電圧指令
EMI規格
FCC-B、VCCI-B、CISPR22-B、EN55011-B、EN55022-B準拠
<推奨ノイズフィルタ>
●NAM-06-101
コーセルLMAシリーズカタログ
コーセルLMAシリーズ取扱説明書
-
仕様
-
型番構成

仕様
| モデル | LMA240F-24-Y | LMA240F-24-HY | ||
|---|---|---|---|---|
| 最大出力(W) | 300 | 300 (480) ※2 | ||
| DC出力 | 自然空冷 | 24V 6.3A | 24V 6.3A (12.6A) ※2 | |
| 強制空冷 | 24V12.5A | 24V12.5A (20A) ※2 | ||
| 入力電圧〔V〕 | AC85 ~264 1φ | |||
| 環境 | 使用温・湿度 | -10 ~+70℃、20 ~ 90%RH (結露なし) | ||
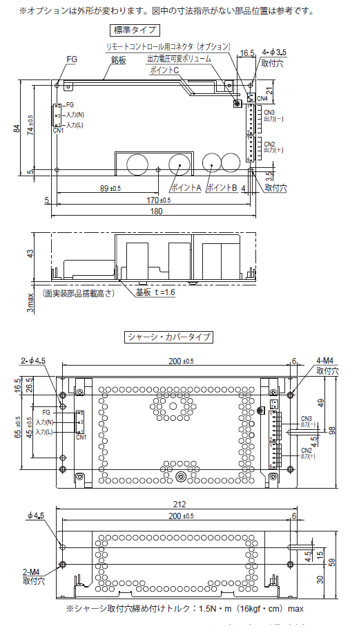
| 構造 | 外形寸法/ 質量 | 84 × 46 × 180mm(W × H × D) / 540g max (シャーシ・カバー付:860g max) | ||
| 冷却方法 | 自然空冷/強制通風 | |||
※1 オプション設定時は仕様が変わります。詳細はお問い合わせください。
※2 ピーク負荷は10 秒以下、デューティ40% 以下でご使用ください。
(カッコ)内はピーク時の値を示します。ピーク電流での連続使用はお避けください。内部素子を破壊することがあります。
寸法図




