もの造りサポーティングサイト FA Ubonは、スズデン株式会社が運営する通販サイトです。

可とう電線管

90°アングルコンネ MA

【大和電業】

防液性・耐久性・作業性を向上させた新型コンネです。

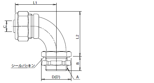
フレキ端末を内外径共カバーするガイドカラーと、新開発の締付リングを組合せた機構で、確実に締め付け固定されます。MS、MA、MH は、シールパッキンが標準装備となっております。

90°アングルコンネ MA

90°アングルコンネ MA サイズ

90°アングルコンネ MA サイズ90°アングルコンネ MA 寸法図