ノイズカットトランス NCT-I1型
【電研精機】
NCT-I1型は、低価格・スタンダードタイプ/機器組込に最適です。
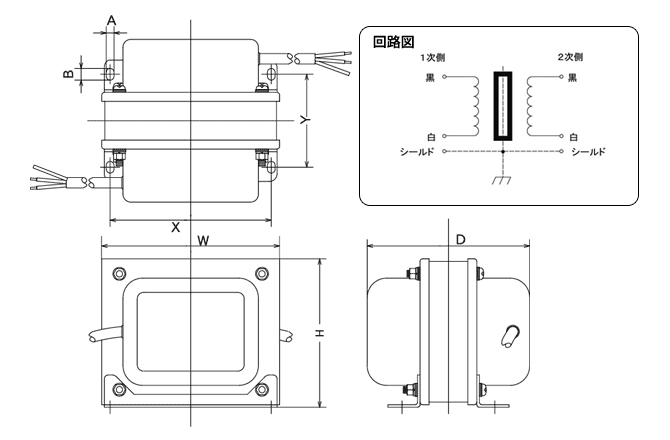
1次側2次側ともにシールドコードが50cmついています。主に製品や分電盤に組みこむ場合に適しています。
(特長)
●小型・低価格を追求。お求めいただきやすくした製品です。
●特に量産向けの汎用電子機器用に最適です。
●標準電圧品の他に、受注生産によるご希望電圧のものも制作可能で、装着機器の電源トランスに代えることができます。
●電源フィルタ等の他のノイズ防止素子を省略することができます。
(仕様)
●容量:10VA/50VA/100VA/300VA/500VA/1kVA/1.5kVA/2kVA
●電力基本周波数:50Hz/60Hz
●入出力電圧:
100V/100V
(60Hzで使用する場合には110V/110Vの標準品でご使用いただけます)
200V/200V 200V/100V
(60Hzで使用する場合には、220Vは200Vの標準品でご使用いただけます)
●相数:単相
※技術情報
「省エネFAラインが招くノイズ障害と対策事例」
株式会社電研精機研究所 ノイズトラブル相談室
チーフテクニカルエンジニア 石井治幸氏
-
仕様
-
在庫価格照会
製品画像



寸法表(単位:mm)
| 容量 | W | D | H | X | Y | A | B | 質量(kg) |
|---|---|---|---|---|---|---|---|---|
| 10VA | 68 | 70 | 59 | 81 | - | 4.5 | 6.5 | 0.9 |
| 50VA | 90 | 92 | 75 | 80 | 56 | 4.8 | 6.8 | 1.8 |
| 100VA | 90 | 117 | 75 | 80 | 81 | 4.8 | 6.8 | 2.9 |
| 300VA | 138 | 126 | 115 | 125 | 72 | 6 | 9 | 5.5 |
| 500VA | 138 | 156 | 115 | 125 | 102 | 6 | 9 | 8.5 |
| 1kVA | 176 | 177 | 149 | 159 | 115 | 7 | 9 | 16 |
| 1.5kVA | 176 | 217 | 149 | 159 | 155 | 7 | 9 | 23 |
| 2kVA | 176 | 217 | 149 | 159 | 155 | 7 | 9 | 23 |
寸法図




