耐熱端子(R形)丸形(ヒーター線及び電熱線用)Nシリーズ
【ニチフ】
【ニチフ】
耐熱端子(R形)丸形(ヒーター線及び電熱線用)Nシリーズ
■材料 端子:ニッケル材
■耐熱:400℃(MAX)

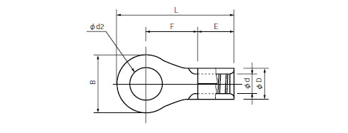
| 型番 | 各部の寸法mm | 電線抱合範囲 | 梱包 単位 | ||||||||
|---|---|---|---|---|---|---|---|---|---|---|---|
| φd2 | B | L | F | E | ΦD | φd | 単線 mm | より線 mm2 | AWG | ||
| N1.25-3 | 3.2 | 5.5 | 12 | 4.75 | 4.5 | 3.4 | 1.7 | 0.57 〜1.44 | 0.25 〜1.65 | 22・16 | 1000 (100x10) |
| N1.25-4 | 4.3 | 8 | 15.6 | 7.1 | 4.5 | 3.4 | 1.7 | 0.57 〜1.44 | 0.25 〜1.65 | 22・16 | 1000 (100x10) |
| N1.25-5 | 5.3 | 8 | 15.6 | 7.1 | 4.5 | 3.4 | 1.7 | 0.57 〜1.44 | 0.25 〜1.65 | 22・16 | 1000 (100x10) |
| N2-4 | 4.3 | 8.5 | 16.5 | 7.75 | 4.5 | 4.2 | 2.3 | 1.14 〜1.82 | 1.04 〜2.63 | 16・14 | 1000 (100x10) |
| N2-5 | 5.3 | 9.5 | 17 | 7.75 | 4.5 | 4.2 | 2.3 | 1.14 〜1.82 | 1.04 〜2.63 | 16・14 | 1000 (100x10) |
| N2-6 | 6.4 | 12 | 21.5 | 11 | 4.5 | 4.2 | 2.3 | 1.14 〜1.82 | 1.04 〜2.63 | 16・14 | 1000 (100x10) |




