マーカータイプ結束バンド PLF-1M-C、PLF1MA-C
【パンドウイット】
● マーカータイプ結束バンドは、ワイヤーやケーブルなどの識別と結束を同時にできます。
● 必要な情報は、書き込みスペースにマーカーペンや刻印機などで記入できます。
● 印字したラベルを貼り付けることもできます。
● 書き込みスペースに合ったパンマークラベルをご用意しています。
※PLF1MB-C、PLF1MB-M 製造中止(2024/12)
-
仕様
-
在庫価格照会
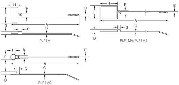
PLFシリーズ(旗型表示)
| 品番 | 最大結束径 (φmm) | 寸法 | 書込スペース(mm) | ||||||||||
|---|---|---|---|---|---|---|---|---|---|---|---|---|---|
| タイプ | 100本入 | 1000本入 | A | B | C | D | E | F | G | H | タテ | ヨコ | |
| PLF1M | -C | -M | 22 | 109 | 2.5 | 1.1 | 3.9 | 4.6 | 20.6 | 4.5 | 9.3 | 7.9 | 19.1 |
| PLF1MC | - | -M | 8.0 | 7.4 | φ7.4 | ||||||||
| PLF1MA | -C | -M | 130 | 20.6 | 27.9 | 26.4 | 19.3 | ||||||
| 中止品 | 中止品 | 19 | 101 | 24.9 | 9.3 | 7.9 | 23.4 | ||||||
※メーカー取り寄せ品は、最低発注数量が変わる場合がございます。




