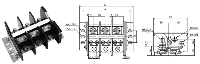
PTXK-100-3P ターミナルブロック
【東洋技研】
【東洋技研】
PTXK-100-3P ターミナルブロック
<仕様>
結線ビス
入力側:M8×22.5L
出力側:M6×12L、M5×10L
<定格>
●定格絶縁電圧:AC・DC600V
●定格通電電流
入力側:22mm2 94A、38mm2 132A、60mm2 175A
出力側(合計:175A MAX)
<シリーズ特長>
PTXシリーズは、受電側(1次側)から送電側(2次側)への分岐作業の煩わしさを解消する分岐専用端子台です。 1次側には結線ビスが設置されており、容量によって複数の電線を引き込むことができます。また2次側には3カ所の結線ビスを設け幅広い分岐数に対応しています。 直取付式、レール取付式がありますので、使用状況に応じていずれかを選択する事が可能です。 絶縁材には、耐電圧、絶縁抵抗に優れている変性PPE樹脂を使用しています。
-
仕様
-
在庫価格照会




