銅線用 R形裸圧着端子(丸形)2sq用 3000ヶ入りパック!
【ニチフ】
【ニチフ】
銅線用 裸圧着端子 (R形)丸形 2sq用
お買い特な3000ヶ入りパック商品。
■材料 端子:無酸素銅(電気すずめっき)
■定格電流:絶縁電線の許容電流(電気設備技術基準公示第29条)に基づいています。
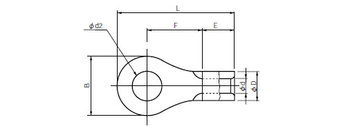
| 型番 | 規格 | 各部の寸法mm | 電線抱合範囲 | ||||||||
|---|---|---|---|---|---|---|---|---|---|---|---|
| φd2 | B | L | F | E | ΦD | φd | 単線 mm | より線 mm2 | AWG | ||
| R 2-3.5 | ● | 3.7 | 6.6 | 14.4 | 6.6 | 4.5 | 4.2 | 2.3 | 1.14 〜1.82 | 1.04 〜2.63 | 16・14 |
| R 2-4S | ○ | 4.3 | 6.6 | 14.4 | 6.6 | 4.5 | 4.2 | 2.3 | 1.14 〜1.82 | 1.04 〜2.63 | 16・14 |
| R 2-4 | ● | 4.3 | 8.5 | 16.5 | 7.75 | 4.5 | 4.2 | 2.3 | 1.14 〜1.82 | 1.04 〜2.63 | 16・14 |
■取得規格
● JIS規格品、UL・CSA登録品
○ UL・CSA登録品
・日本工業規格 JIS C2805(銅線用圧着端子)に適合。
・UL486Aに適合。
・UL ファイルNo.E44245にて承認。
・CSA C22.2に適合
・CSA ファイルNo.LR-28418にて承認。
(注)UL・CSA登録品としてご使用の際は、UL/CSA適用工具をご使用ください。




