銅線用 R形裸圧着端子(丸形)R0.3、R1.25、R2
【ニチフ】
【ニチフ】
銅線用 裸圧着端子 (R形)丸形。
0.3mm2、1.25mm2、2mm2
■材料 端子:無酸素銅(電気すずめっき)
■定格電流:絶縁電線の許容電流(電気設備技術基準公示第29条)に基づいています。
■販売単位は、1箱(100ヶ入り)

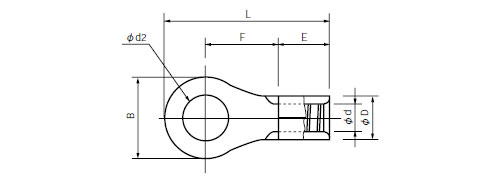
| 型番 | 規格 | 各部の寸法mm | 電線抱合範囲 | ||||||||
|---|---|---|---|---|---|---|---|---|---|---|---|
| φd2 | B | L | F | E | ΦD | φd | 単線 mm | より線 mm2 | AWG | ||
| R0.3-3 | ○ | 3.2 | 5.2 | 12 | 4.9 | 4.5 | 2.2 | 1.0 | - | 0.2 〜0.5注1 | 24・20注2 |
| R1.25-3 | ● | 3.2 | 5.5 | 12 | 4.75 | 4.5 | 3.4 | 1.7 | 0.57 〜1.44 | 0.25 〜1.65 | 22・16 |
| R1.25-3N | ○ | 3.2 | 5.6 | 14.9 | 7.6 | 4.5 | 3.4 | 1.7 | 0.57 〜1.44 | 0.25 〜1.65 | 22・16 |
| R1.25-3S | ○ | 3.2 | 5.7 | 11.9 | 4.55 | 4.5 | 3.4 | 1.7 | 0.57 〜1.44 | 0.25 〜1.65 | 22・16 |
| R1.25-3.5N | ○ | 3.7 | 5.6 | 14.9 | 7.6 | 4.5 | 3.4 | 1.7 | 0.57 〜1.44 | 0.25 〜1.65 | 22・16 |
| R1.25-3.5S | ○ | 3.7 | 5.7 | 11.9 | 4.55 | 4.5 | 3.4 | 1.7 | 0.57 〜1.44 | 0.25 〜1.65 | 22・16 |
| R1.25-3.5 | ● | 3.7 | 6.6 | 13.3 | 5.5 | 4.5 | 3.4 | 1.7 | 0.57 〜1.44 | 0.25 〜1.65 | 22・16 |
| R1.25-3.5M | ○ | 3.7 | 6.8 | 13.9 | 6 | 4.5 | 3.4 | 1.7 | 0.57 〜1.44 | 0.25 〜1.65 | 22・16 |
| R1.25-4M | ○ | 4.3 | 6.8 | 13.9 | 6 | 4.5 | 3.4 | 1.7 | 0.57 〜1.44 | 0.25 〜1.65 | 22・16 |
| R1.25-4 | ● | 4.3 | 8 | 15.6 | 7.1 | 4.5 | 3.4 | 1.7 | 0.57 〜1.44 | 0.25 〜1.65 | 22・16 |
| R1.25-5 | ● | 5.3 | 8 | 15.6 | 7.1 | 4.5 | 3.4 | 1.7 | 0.57 〜1.44 | 0.25 〜1.65 | 22・16 |
| R1.25-6 | ○ | 6.4 | 12 | 20.2 | 9.7 | 4.5 | 3.4 | 1.7 | 0.57 〜1.44 | 0.25 〜1.65 | 22・16 |
| R1.25-8 | ○ | 8.4 | 12 | 20.2 | 9.7 | 4.5 | 3.4 | 1.7 | 0.57 〜1.44 | 0.25 〜1.65 | 22・16 |
| R2-3S | ○ | 3.2 | 5.7 | 12.3 | 4.95 | 4.5 | 4.2 | 2.3 | 1.14 〜1.82 | 1.04 〜2.63 | 16・14 |
| R2-3 | ○ | 3.2 | 6.5 | 12.7 | 4.95 | 4.5 | 4.2 | 2.3 | 1.14 〜1.82 | 1.04 〜2.63 | 16・14 |
| R2-3.5N | ○ | 3.7 | 5.6 | 14.9 | 7.6 | 4.5 | 4.2 | 2.3 | 1.14 〜1.82 | 1.04 〜2.63 | 16・14 |
| R2-3.5 | ● | 3.7 | 6.6 | 14.4 | 6.6 | 4.5 | 4.2 | 2.3 | 1.14 〜1.82 | 1.04 〜2.63 | 16・14 |
| R2-3.5S | ○ | 3.7 | 6.6 | 15.4 | 7.6 | 4.5 | 4.2 | 2.3 | 1.14 〜1.82 | 1.04 〜2.63 | 16・14 |
| R2-4S | ○ | 4.3 | 6.6 | 14.4 | 6.6 | 4.5 | 4.2 | 2.3 | 1.14 〜1.82 | 1.04 〜2.63 | 16・14 |
| R2-4M | ○ | 4.3 | 8.0 | 16.0 | 7.5 | 4.5 | 4.2 | 2.3 | 1.14 〜1.82 | 1.04 〜2.63 | 16・14 |
| R2-4 | ● | 4.3 | 8.5 | 16.5 | 7.75 | 4.5 | 4.2 | 2.3 | 1.14 〜1.82 | 1.04 〜2.63 | 16・14 |
| R2-5M | ○ | 5.3 | 8 | 16 | 7.5 | 4.5 | 4.2 | 2.3 | 1.14 〜1.82 | 1.04 〜2.63 | 16・14 |
| R2-5 | ● | 5.3 | 9.5 | 17 | 7.75 | 4.5 | 4.2 | 2.3 | 1.14 〜1.82 | 1.04 〜2.63 | 16・14 |
| R2-6 | ● | 6.4 | 12 | 21.5 | 11 | 4.5 | 4.2 | 2.3 | 1.14 〜1.82 | 1.04 〜2.63 | 16・14 |
| R2-8 | ● | 8.4 | 12 | 21.5 | 11 | 4.5 | 4.2 | 2.3 | 1.14 〜1.82 | 1.04 〜2.63 | 16・14 |
| R2-10 | ○ | 10.5 | 15 | 15 | 24.5 | 4.5 | 4.2 | 2.3 | 1.14 〜1.82 | 1.04 〜2.63 | 16・14 |
※販売単位:100ヶ/箱
■取得規格
● JIS規格品、UL・CSA登録品
○ UL・CSA登録品
・日本工業規格 JIS C2805(銅線用圧着端子)に適合。
・UL486Aに適合。
・UL ファイルNo.E44245にて承認。
・CSA C22.2に適合
・CSA ファイルNo.LR-28418にて承認。
(注)UL・CSA登録品としてご使用の際は、UL/CSA適用工具をご使用ください。
注1:0.3~0.5(UL・CSA指定)
注2:22・20(UL・CSA指定)




