S8VK-WAシリーズ スイッチングパワーサプライ
【オムロン(制御機器)】
【オムロン】
スイッチング・パワーサプライ(240/480/960/2000Wタイプ)
三相200V~240V入力で、三相平衡の課題を解決!
<特長>
●単相パワーサプライでの面倒な設計対応が不要に、三相200Vパワーサプライが“三相平衡”アンバランスリスクを一気に解消
●1クラスのコンパクトサイズ、従来品と比べても半分以下のスペースで収まります。
●定格電流150%のピーク電流でモータ負荷などの一時的な電流増加に対応
●S8VK-WAなら、パワーサプライの入力側/機器本体/出力側のどこに原因があるのか、配線取り外しやテスタがなくても簡単に分かります。
●LEDと信号出力でパワーサプライの状態をお知らせ
-
仕様
-
在庫価格照会

| 形式 | 容量 | 定格入力電圧 | 定格出力電圧 | 定格出力電流 | 最大ピーク電流 |
|---|---|---|---|---|---|
| S8VK-WA24024 | 240W | 三相・単相 AC200~240V (許容範囲 三相・単相 AC170~264V、 DC240~350V) | DC24V | 10A | 15A |
| S8VK-WA48024 | 480W | DC24V | 20A | 30A | |
| S8VK-WA96024 | 960W | DC24V | 40A | 60A | |
| S8VK-WA20224 | 2000W | 三相・単相・二相 AC200~240V (許容範囲 三相・単相・二相 AC170~264V、 DC240~384V) | DC24V | 85A | 127.5A |
| S8VK-WA20248 | DC48V | 45A | 67.5A |
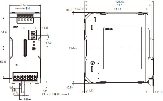
形S8VK-WA24024寸法図

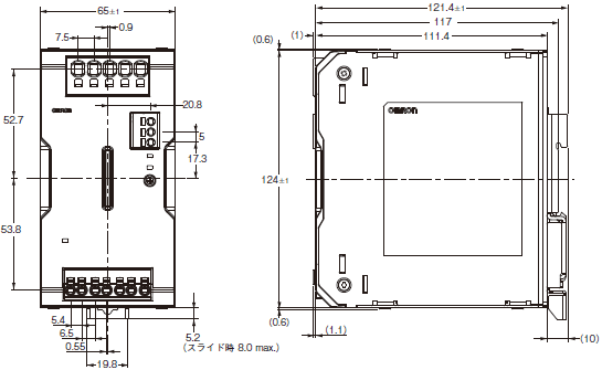
形S8VK-WA48024寸法図

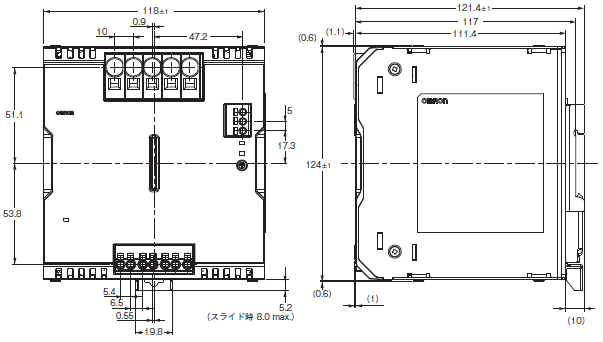
形S8VK-WA96024寸法図

形S8VK-WA20224寸法図




