小型トグルスイッチ S-シリーズ
【NKKスイッチズ】
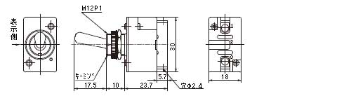
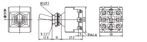
小型トグルスイッチ(基本型)のS-シリーズ
小型トグルスイッチ群は半世紀に及ぶ実績を誇り、小形、堅牢、高容量、且つアークに強く、高い接触信頼性を保つ接点材を使用したスイッチ群です。
二重固定加締方式により、はんだ付けによる端子ガタが生じません。(S-114・S-116を除く)
特殊な銀合金接点により、アーク消耗に強く、安定した接触を維持します。
小形トグルスイッチの切替え機構は、シーソー方式、ブランコ方式の2種類があり、それぞれ優れた特徴を備えています。






