もの造りサポーティングサイト FA Ubonは、スズデン株式会社が運営する通販サイトです。

サポート・スペーサー

スナップカラーブッシュ SB/SBWシリーズ

【品川商工】

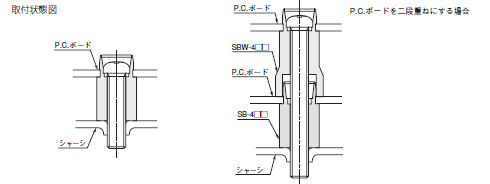
■ P.C.ボードのビス固定用サポートです。
■ ワンピース構造のため、作業性がすぐれています。
■ ビス頭部がブッシュ部に収納されるので、保護、絶縁性にすぐれています。
■ 多段重ね式もあります。

材質:ナイロン6 UL94V-0
色:白

スナップカラーブッシュ SB/SBWシリーズ