TCVキャップ
【品川商工】
<特長>
■ ビニル電線に圧着した端子の絶縁、色別表示に最適です。
■ カラーバリエーションは9 色あります。
<材質> 軟質PVC
● 標準材: SS108
● UL 規格認定材(E58538): SS107UFTT(受注生産品)
SS107UFTC(受注生産品)
<標準色>
SS108 : 赤(01)・白(02)・青(03)・黒(04)・黄(05)
緑(06)・茶(07)・灰(08)・透明(09)
-
仕様
-
在庫価格照会

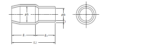
寸法図




