フレキシブル端子台 TEN 7
【KASUGA】
絶縁電圧:250V
適合電線:1.25mm2-10A
端子ネジ:M3x6(セルフアップ)
締付トルク:0.6~0.9N・m
-
仕様
-
在庫価格照会
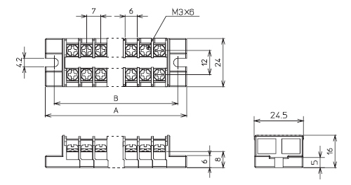
フレキシブル端子台 TEN 7 寸法図

| 極数 | タイプ名 | ユニットの長さ(A) | 取付ピッチ(B) | カバー・記名シール | 質量(g) |
|---|---|---|---|---|---|
| 2 | TEN 7 02 | 34 | 26 | 14 | 9.5 |
| 3 | TEN 7 03 | 41 | 33 | 21 | 13 |
| 4 | TEN 7 04 | 48 | 40 | 28 | 16.5 |
| 5 | TEN 7 05 | 55 | 47 | 35 | 20 |
| 6 | TEN 7 06 | 62 | 54 | 42 | 23.5 |
| 7 | TEN 7 07 | 69 | 61 | 49 | 27 |
| 8 | TEN 7 08 | 76 | 68 | 56 | 30.5 |
| 9 | TEN 7 09 | 83 | 75 | 63 | 34 |
| 10 | TEN 7 10 | 90 | 82 | 70 | 37.5 |
| 11 | TEN 7 11 | 97 | 89 | 77 | 41 |
| 12 | TEN 7 12 | 104 | 96 | 84 | 44.5 |
| 13 | TEN 7 13 | 111 | 103 | 91 | 48 |
| 14 | TEN 7 14 | 118 | 110 | 98 | 51.5 |
| 15 | TEN 7 15 | 125 | 117 | 105 | 55 |
| 16 | TEN 7 16 | 132 | 124 | 112 | 58.5 |
| 17 | TEN 7 17 | 139 | 131 | 119 | 62 |
| 18 | TEN 7 18 | 146 | 138 | 126 | 65.5 |
| 19 | TEN 7 19 | 153 | 145 | 133 | 69 |
| 20 | TEN 7 20 | 160 | 152 | 140 | 72.5 |




