もの造りサポーティングサイト FA Ubonは、スズデン株式会社が運営する通販サイトです。

支持金具

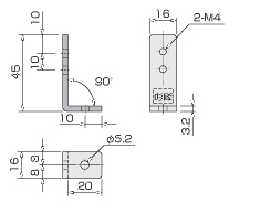
取付金具(ABCパーツ) VD-45

【篠原電機】

取付金具(ABCパーツ) VD-45
機器、端子台、DINレール、配線ダクト等の取付けにご使用ください。

<特長>
チャンネルベ-スに直接配線ダクトを取付けする場合などに便利です。

<材質>
鋼板製三価クロメートメッキ仕上です。
※環境に配慮した三価クロメートメッキ品です。

取付金具(ABCパーツ) VD-45