超小型タイプ近接センサ E2S用取りつけ金具 Y92E-C2R5、Y92E-D1R6、Y92E-D2R5
【オムロン(制御機器)】
【オムロン】
超小型タイプ近接センサ E2S用取りつけ金具
●Y92E-C1R6: 形E2S-□1□□に付属されています(ねじ1個止め)
●Y92E-C2R5: 形E2S-□2□□に付属されています(ねじ1個止め)
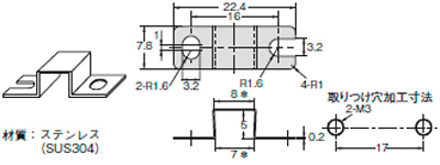
●Y92E-D1R6: 形E2S-□1□□用 (ねじ2個止め)
●Y92E-D2R5: 形E2S-□2□□用 (ねじ2個止め)
-
仕様
-
在庫価格照会
超小型タイプ近接センサ E2S アクセサリ(別売
取りつけ金具

Y92E-D1R6





