先開型裸圧着端子 YAS型
-
仕様
-
在庫価格照会
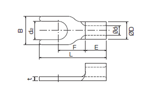
| 形式 | d2 | B | L | F | E | φD | φd1 | t | 電線抱合容量(参考) | 一箱入数 | ||
|---|---|---|---|---|---|---|---|---|---|---|---|---|
| 単線 mm | 撚線 mm2 | AWG | ||||||||||
| 1.25-YAS3 | 3.3 | 5.8 | 15 | 5.8 | 4.5 | 3.4 | 1.7 | 0.75 | 0.57 ~1.44 | 0.25 ~1.65 | 22-16 | 100 |
| 1.25-YASS3.5 | 3.7 | 5.7 | 15 | 6.0 | 100 | |||||||
| 形式 | d2 | B | L | F | E | φD | φd1 | t | 電線抱合容量(参考) | 一箱入数 | ||
|---|---|---|---|---|---|---|---|---|---|---|---|---|
| 単線 mm | 撚線 mm2 | AWG | ||||||||||
| 1.25-YAS3 | 3.3 | 5.8 | 15 | 5.8 | 4.5 | 3.4 | 1.7 | 0.75 | 0.57 ~1.44 | 0.25 ~1.65 | 22-16 | 100 |
| 1.25-YASS3.5 | 3.7 | 5.7 | 15 | 6.0 | 100 | |||||||




