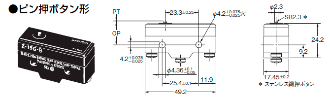
ピン押ボタン形 Z-15G-B、Z-15H2-B、Z-15H-B、Z-15E-B、Z-01H-B、Z-10FY-BEQ
【オムロン(制御機器)】
【オムロン(制御機器)】
高精度、豊富な種類を誇る、ベストセラーの基本スイッチ
・定格通電電流
01 :0.1A(微小負荷用)
15 :15A
-
仕様
-
在庫価格照会

動作特性
| 形式 | Z-15G-B | Z-15H2-B | Z-15H-B | Z-15E-B | Z-01H-B | Z-10FY-B |
|---|---|---|---|---|---|---|
| 動作に必要な力OF | 2.45~3.43N | 1.96~2.50N | 1.96~2.75N | 6.12~7.85N | 最大2.45N | 4.46~7.26N |
| もどりの力RF最小 | 1.12N | 1.12N | 1.12N | 1.12N | 0.78N | 1.12N |
| 動作までの動きPT最大 | 0.4mm | 0.3mm | 0.3mm | 0.8mm | 0.5mm | 0.8mm |
| 動作後の動きOT最小 | 0.13mm | 0.1mm | 0.13mm | 0.13mm | 0.13mm | 0.13mm |
| 応差の動きMD最大 | 0.05mm | 0.005~ 0.008mm | 0.025mm | 0.13mm | 0.04mm | 0.1mm |
| 動作位置OP | 15.9±0.4mm | |||||




