もの造りサポーティングサイト FA Ubonは、スズデン株式会社が運営する通販サイトです。

φ22/25押ボタンスイッチ A22Z(A22用部品)

【オムロン(制御機器)】

【オムロン】
押ボタンスイッチ形A22シリーズ。
ユニットの取り外しはレバーで簡単脱着。
IP65耐油形(非照光タイプ)。

φ22/25押ボタンスイッチ A22Z(A22用部品)

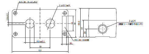
形A22Z-B101(1穴)

形A22Z-B101(1穴)

形A22Z-B102

形A22Z-B102

形A22Z-3580 / 形A22Z-3466-1 

形A22Z-3580 / 形A22Z-3466-1