サムロータリスイッチ(取り付け板) A7BS-M
【オムロン(制御機器)】
【オムロン】
サムロータリスイッチ形A7BS、形A7BL用の取り付け板。
スイッチユニットの両端に使用するもので、各ユニットをパネルに確実に固定するためのもの。
左右一対。
-
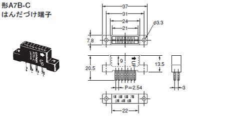
寸法図
-
在庫価格照会
| ケース色 | ライトグレー | 黒 | |
|---|---|---|---|
| 取り付け板 | A7B-M | A7B-M-1 | |
| スペアユニット | A7B-PA | ||
| コネクタ | はんだづけ端子形 | A7B-C | |


【オムロン】
サムロータリスイッチ形A7BS、形A7BL用の取り付け板。
スイッチユニットの両端に使用するもので、各ユニットをパネルに確実に固定するためのもの。
左右一対。
| ケース色 | ライトグレー | 黒 | |
|---|---|---|---|
| 取り付け板 | A7B-M | A7B-M-1 | |
| スペアユニット | A7B-PA | ||
| コネクタ | はんだづけ端子形 | A7B-C | |






