端子台付きBOXターミナル BOXTB-6AT
【東洋技研】
【東洋技研】
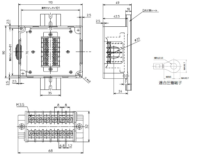
●端子台及び仕切板は取り外し可能の為、外部で配線してからBOX内に装着出来ます。
●BOX本体及び端子台は環境特性に優れたPBT樹脂を採用。
●ウルトラUP端子台内蔵で、結線作業が簡単。
●電線取り出し口は、標準で膜付グロメット添え付けです。
●DINレールニワンタッチ取り付け、取り外しが出来ます。
<仕様>
●材質強化PBT(ライトグレー)
●使用条件周囲温度:-25℃~100℃
相対湿度:45%~85%
●附属品仕切板(φ21穴アキSP-1)
膜付グロメット2個(φ20用)
●オプション穴無しプレート(SP-2)
●内蔵端子台ATK-10G(端子カラー紺)
ATK-20G(端子カラー紺)
-
仕様
-
在庫価格照会
■定格・仕様
定格電圧:AC,DC600V
定格電流0.75mm2 10A
接続可能電線1.25mm2 15A
及び最大電流2.0mm2 20A
絶縁抵抗200MΩ以上(DC500Vメガにて)
耐電圧AC2500V 1分間
標準締付トルク1.4N・m




