ブッシング BU-692
【サトーパーツ】
ブッシング BU-692
※形番構成: BU-692-サイズ
(仕様)
・サイズ: A,B,C,D,E,F
・主絶縁材: 天然ゴム
・本体色: 黒
・パネル取付方式: ネジ止め
※販売価格は、袋(100ヶ入り)単位の価格です。
-
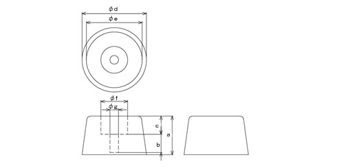
寸法
-
在庫価格照会
BU-692寸法表
| 型式 | a | b | c | d | e | f | g |
|---|---|---|---|---|---|---|---|
| A | 7.5 | 2.3 | 4.3 | 15 | 14 | 6.5 | 3 |
| B | 8 | 2.3 | 5 | 19 | 15 | 7 | 3 |
| C | 11 | 6.5 | 4 | 20 | 16 | 8.5 | 3 |
| D | 15.5 | 9 | 6 | 25 | 20 | 7 | 3 |
| E | 18 | 8.5 | 7.5 | 30 | 26 | 12.5 | 4 |
| F | 20 | 10.5 | 9.3 | 39.5 | 32 | 15 | 4.4 |




