第一電子工業 防水ケーブルクランプ CE3057-□□A
【フジクラ(FJK)(旧DDK)】
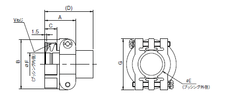
バックシェルと組合せてケーブルを固定する付属品です。
2 個の押え金具によって、両側から締付ける構造ですので、ケーブルは中心位置に確実に固定されます。
-
仕様
-
在庫価格照会
防水ケーブルクランプ CE3057-□□A 型番構成

バックシェルと組合せてケーブルを固定する付属品です。
2 個の押え金具によって、両側から締付ける構造ですので、ケーブルは中心位置に確実に固定されます。
防水ケーブルクランプ CE3057-□□A 型番構成





