GWT□-0 チーズ
【CKD】
空気圧配管用ワンタッチ継手です。
省スペース対応のコンパクトサイズです。
<在庫品形番>
・GWT6-0:適用チューブ外径φ6
・GWT8-0:適用チューブ外径φ8
-
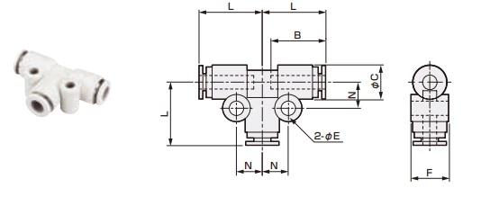
仕様
-
在庫価格照会

| 形番 | 適用チューブ 外径φ | L | B | C | E | F | N | 最小 穴径 | 有効断面積 mm2 | 質量 g |
|---|---|---|---|---|---|---|---|---|---|---|
| GWT 4-0 | 4 | 18.5 | 16 | 10 | 4.2 | 11 | 7.5 | 2.5 | 3.6 | 8 |
| GWT 6-0 | 6 | 21 | 17.5 | 12.5 | 4.2 | 13.5 | 8.5 | 4 | 9.7 | 11 |
| GWT 8-0 | 8 | 23.5 | 19 | 14.5 | 4.2 | 15.5 | 9.5 | 6 | 22 | 14 |
| GWT10-0 | 10 | 27 | 21.5 | 17.5 | 4.2 | 18.5 | 11 | 8 | 30 | 23 |
| GWT12-0 | 12 | 29.5 | 23 | 20 | 4.2 | 21 | 12 | 10 | 35.5 | 30 |




