ミニコントロールリレー HH54P
【富士電機】
【富士電機】
●豊富な種類
ソレノイド負荷用に最適な高容量形,高信頼性を必要とする制御用として双接点形,電圧降下の大きな回路用として低電圧保証形を始め各種取付方法や動作表示ランプ付,サージ吸収回路付など豊富な種類がそろっています。
●UL,CSA,TÜV 認定品を標準化しています。
●電気用品安全法準拠品です。
●コイル電圧の判別が容易。コイルの化粧紙の色別によりコイル電圧の判別が容易です。
● JISC4530 に準拠しています。
適応ソケットはこちら⇒
-
仕様
-
在庫価格照会
形式構成

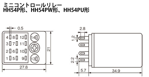
寸法図

ソケット TP514X1 寸法図




