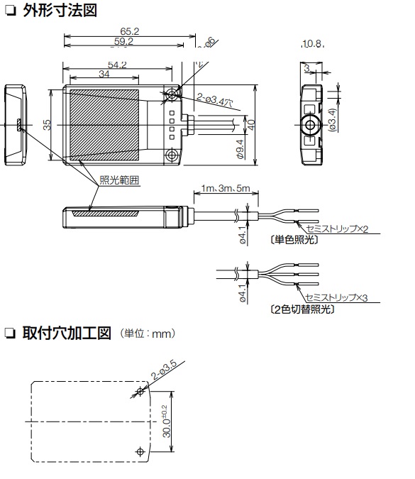
LH1D-H2HQ4C形 表面取付形表示灯 フラットタイプ
【IDEC】
【IDEC】
LH1D-H2HQ4C形 表面取付形表示灯 フラットタイプ
・保護構造IP67を実現した、ケーブル引き出しの表示灯。
-
仕様
-
在庫価格照会
| 品名 | ケーブル長 | 形式 | 照光色の指定記号 |
|---|---|---|---|
| フラット 単色全面照光 | 1m | LH1D-H2HQ4C10※ | R、G、 Y、A S、PW |
| 3m | LH1D-H2HQ4C30※ | ||
| 5m | LH1D-H2HQ4C50※ | ||
| フラット 2色切替全面照光 | 1m | LH1D-H2HQ4C10RG | R/G |
| 3m | LH1D-H2HQ4C30RG | ||
| 5m | LH1D-H2HQ4C30RG |
● ※(色記号):R(赤)、G(緑)、Y(黄)、A(アンバー)、S(青)、PW(ピュアホワイト)
● 橙色を希望される場合は、A(アンバー)をご指定ください。




