ロッキングワイヤーサドル LWS-H
【北川工業】
ネジ固定のロックタイプの配線クランプ
<特長>
●ロック機構によりケーブルを確実にクランプします。
<材料>
●ナイロン66(色調:ナチュラル)
UL94V-2
-
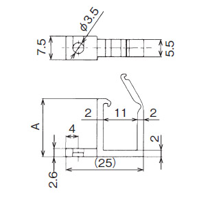
仕様
-
| 品番 | A | 包装単位 |
|---|---|---|
| LWS-2H | 18.5 | 100個/pcs. |
| LWS-3H | 27.5 | 1000個/pcs. |
(単位:mm)
ネジ固定のロックタイプの配線クランプ
<特長>
●ロック機構によりケーブルを確実にクランプします。
<材料>
●ナイロン66(色調:ナチュラル)
UL94V-2
| 品番 | A | 包装単位 |
|---|---|---|
| LWS-2H | 18.5 | 100個/pcs. |
| LWS-3H | 27.5 | 1000個/pcs. |
(単位:mm)




