ネジ式端子台 ML-30-AP
【サトーパーツ】
定格:250V-6A
絶縁抵抗:DC500V、100MΩ以上
耐電圧:AC2000V (1分間)
取得規格:UL規格・CSA規格・TÜV規格 (IEC60947-7-1に適合)
極数(P):1~20
主絶縁材:フェノール (UL94V-0)
端子ネジ:M3×6
端子金具:PC端子
本体色:B (黒)
使用上の注意
1.20P以外の極数は、切断加工により製作されるため、若干の跡、段がつきます。
2.規格品としてご使用の場合は、規格上の制約等をご確認ください。
-
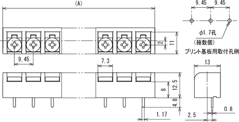
寸法
-
在庫価格照会

| 極数 | A | 極数 | A | |
|---|---|---|---|---|
| 1 | 11.5 | 11 | 106.2 | |
| 2 | 21 | 12 | 115.5 | |
| 3 | 30.5 | 13 | 125 | |
| 4 | 40 | 14 | 134.5 | |
| 5 | 49.5 | 15 | 144 | |
| 6 | 59 | 16 | 153.5 | |
| 7 | 68.5 | 17 | 162.8 | |
| 8 | 78 | 18 | 172.3 | |
| 9 | 87.5 | 19 | 182 | |
| 10 | 97 | 20 | 191 |




