耐熱端子 (ヒーター線及び電熱線用) 丸形
【ニチフ】
【ニチフ】
耐熱端子 (ヒーター線及び電熱線用) 丸形
■材質:ニッケル材 耐熱:400℃ MAX
※販売単位:100ヶ/箱
-
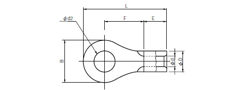
仕様
-
在庫価格照会
| 型番 | 各部の寸法mm | 電線抱合 範囲 | ||||||
|---|---|---|---|---|---|---|---|---|
| φd2 | B | L | F | E | ΦD | φd | 単線 mm | |
| N 1.25-3 | 3.2 | 5.5 | 12 | 4.75 | 4.5 | 3.4 | 1.7 | 0.57 〜1.44 |
| N 1.25-4 | 4.3 | 8 | 15.6 | 7.1 | 4.5 | 3.4 | 1.7 | 0.57 〜1.44 |
| N 1.25-5 | 5.3 | 8 | 15.6 | 7.1 | 4.5 | 3.4 | 1.7 | 0.57 〜1.44 |
| N 2-4 | 4.3 | 8.5 | 16.5 | 7.75 | 4.5 | 4.2 | 2.3 | 1.14 〜1.82 |
| N 2-5 | 5.3 | 9.5 | 17 | 7.75 | 4.5 | 4.2 | 2.3 | 1.14 〜1.82 |
| N 2-6 | 6.4 | 12 | 21.5 | 11 | 4.5 | 4.2 | 2.3 | 1.14 〜1.82 |
| N 5.5-4 | 4.3 | 9.5 | 19.5 | 8.25 | 6.5 | 5.6 | 3.4 | 1.9 〜 2.8 |
| N 5.5-5 | 5.3 | |||||||
| N 5.5-6 | 6.4 | 12.0 | 23.0 | 10.5 | ||||
| N 5.5-8 | 8.4 | 16.0 | 28.0 | 14.0 | ||||
| N 8-5 | 5.3 | 12.0 | 23.5 | 9.1 | 8.4 | 7.1 | 4.5 | 2.9 〜 3.6 |
| N 8-6 | 6.4 | |||||||
| N 8-8 | 8.4 | 15.0 | 29.5 | 13.6 | ||||
| N 8-10 | 10.5 | |||||||
| N 14-6 | 6.4 | 12.0 | 27.5 | 11.5 | 10.0 | 9.0 | 5.8 | 3.7 〜 4.6 |
| N 14-8 | 8.4 | 16.0 | 32.5 | 14.5 | ||||
| N 22-8 | 8.4 | 16.5 | 33.3 | 13.05 | 12.0 | 11.5 | 7.7 | 4.7 〜 5.6 |
| N 38-10 | 10.5 | 22.0 | 42.3 | 18.3 | 13.0 | 13.3 | 9.4 | 6.0 〜 7.0 |




