角形 交流電流、電圧計 PSK-80シリーズ
【第一エレクトロニクス】
<共通標準仕様>
・規格:JISC1102:2007
JISC1103、IEC60051-1準拠
・目盛板:白色
・指針:槍形(黒色)
・使用温湿度範囲:-10~50℃(25~85%RH)
-
仕様
-
在庫価格照会

型式構成

(1)測定量の種類
| 記号 | 測定量 |
|---|---|
| M | 直流電流、電圧 |
| X | 直流受信指示 |
| Y | 交流受信指示 |
| S | 交流電流、電圧(可動鉄片形) |
| C | 交流電流、電圧(整流形、実効値整流形) |
| W | 交流電力 |
| WVB | 無効電力(平衝) |
| WV | 無効電力(不平衝) |
| PB | 力率(平衝) |
| P | 力率(不平衝) |
| A | 周波数 |
| H | 熱電対形温度 |
| HT | 熱電対形温度 |
| V | 回転数 |
(2)形状
| 記号 | 角形計器 |
|---|---|
| 120 | 120x120 |
| 100 | 100x100 |
| 80 | 80xx80 |
| 60 | 60x60 |
(3)構造
| 記号 | 構造 |
|---|---|
| N | トランスデューサ一体形 |
(4)特殊仕様
| 記号 | 仕様 |
|---|---|
| H | SCR用 |
| C | サイクル制御 |
| L | ランプ付 |
| S | シールド付き |
(5)回路の種類
| 記号 | 回路 |
|---|---|
| 12 | 単相 |
| 13 | 3線 |
| 33 | 三相3線 |
| 34 | 三相4線 |
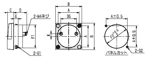
寸法図

| A | B | C | D | E | F1 | F2 | G1 | G2 | |
|---|---|---|---|---|---|---|---|---|---|
| PK-120C | 100 | 123 | 20 | 41.5 | 15 | 110φ | 112φ | M5 | 7φ |
| PK-100C | 80 | 100 | 16 | 31 | 15 | 85φ | 87φ | M4 | 5.5φ |
| PK-80C | 64 | 80 | 14.5 | 29.5 | 10 | 65φ | 67φ | M3 | 4φ |
| PK-60C | 48 | 60 | 14.5 | 29.5 | 10 | 52φ | 54φ | M3 | 4φ |




