SLC30Nシリーズ 集合表示灯組立サービス
【IDEC】
【IDEC】
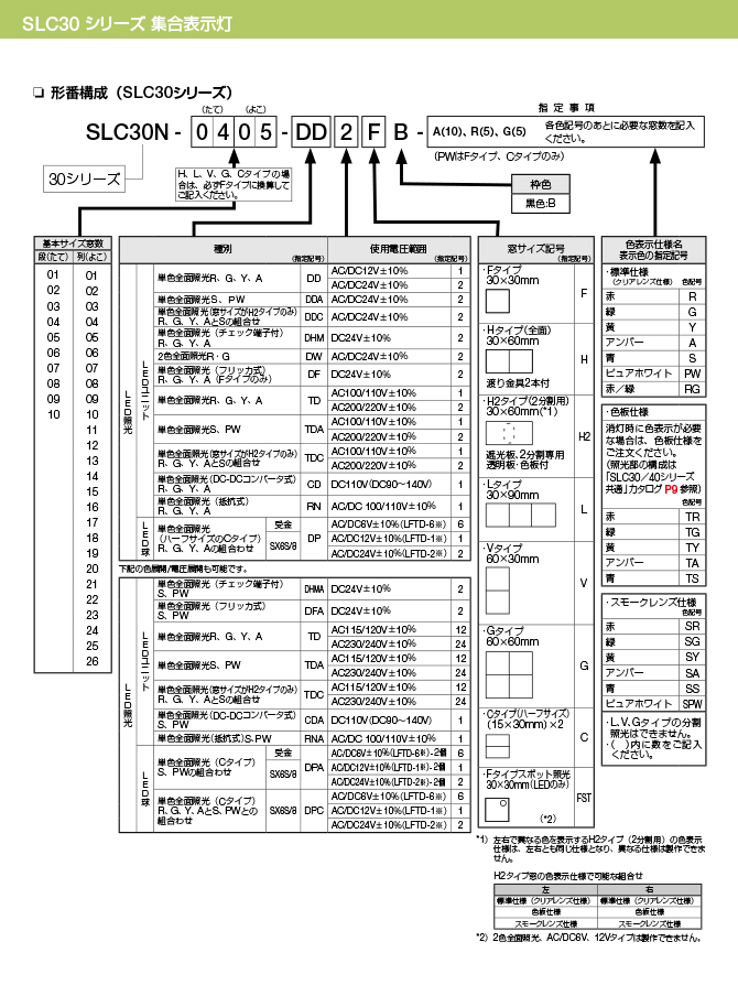
SLC30Nシリーズ
(縦10段x横16列まで取り扱いございます)
・手元操作盤の省スペース化を実現。
・スイッチの取付け工数を削減。
・盤面デザインの自由度が向上。
※当社では、
IDECよりライセンスを得た技術者が、自社工場で製作します。
以下のPDFを利用してメールかFAXにてご注文下さい。
SLC30/40シリーズ集合表示灯申し込みシート![]()
※ご注文の際に備考欄に色の指定をしてください。
色指定の記載が無い場合や複雑な指定の場合は
当社担当者よりご連絡させていただく場合がございます
-
型番構成
-




