SW09XA、SW12XA、SW18XA 電磁開閉器 SC-NEXTシリーズ
【富士電機】
【富士電機】
電磁開閉器 SC-NEXTシリーズ
ベストセラー「新SC・NEO SCシリーズ」の後継シリーズ。
最新IEC・JISを含む国際規格に対応したグローバルスタンダード製品。
特長1、「新SC・NEO SCシリーズ」よりも更なる「小型化」「省電力化」を実現。
直流操作形に低消費電力タイプがラインアップ。
特長2、環境負荷低減の製品仕様
(省電力化、再利用可能材の積極利用、消耗部品の交換可能など)
・SW09XA(交流)/ SW09XG(直流)
・SW12XA(交流)/ SW12XG(直流)
・SW18XA(交流)/ SW18XG(直流)
<仕様>
・周囲温度:-10~+55℃ 急激な温度変化による結露や氷結のないこと
(24 時間の平均温度が 35℃を超えないこと)
・相対湿度:85%RH 以下(結露なきこと)
・標高:2000m 以下
・雰囲気 塵埃,煙,腐食性ガス,可燃性ガス,蒸気,塩分があまり含まれない。
・保管温度:-40 ~+65℃
・耐振動 10 ~ 55Hz 15m/s2
・耐衝撃 50m/s2
-
仕様
-
在庫価格照会
形式構成

定格・形式
| フレーム | 主回路定格 | サーマルリレー定格[A] 定格範囲 [指定コード] | 補助接点 構成 | コイル 操作方式 | 形式 | |||
|---|---|---|---|---|---|---|---|---|
| 定格容量[kW] | 定格使用電流[A] | |||||||
| 三相かご形モータ (AC-3) | 三相かご形モータ (AC-3) | |||||||
| 200 -240V | 380 -440V | 200 -240V | 380 -440V | |||||
| SW09X | 2.2 | 4 | 11 | 9 | 0.24-0.36 [P24] 0.34-0.52 [P34] 0.48-0.72 [P48] 0.64-0.96 [P64] 0.8-1.2 [P80] 0.95-1.45 [P95] 1.4-2.1 [1P4] 1.7-2.6 [1P7] 2.2-3.4 [2P2] 2.8-4.2 [2P8] 4-6 [004] 5-7.5 [005] 6-9 [006] 7-10.5 [007] 9-13 [009]注1 13-16.5 [013]注2 15-18 [015]注2 | 1a[10] | 交流操作形 | SW09XA□2-◆10T● |
| 1b[01] | SW09XA□2-◆01T● | |||||||
| 1a[10] | 直流操作形 | SW09XG□2-◆10T● | ||||||
| 1b[01] | SW09XG□2-◆01T● | |||||||
| SW12X | 2.7 | 5.5 | 13 | 12 | 1a[10] | 交流操作形 | SW12XA□2-◆10T● | |
| 1b[01] | SW12XA□2-◆01T● | |||||||
| 1a[10] | 直流操作形 | SW12XG□2-◆10T● | ||||||
| 1b[01] | SW12XG□2-◆01T● | |||||||
| SW18X | 3.7 | 7.5 | 18 | 18 | 1a[10] | 交流操作形 | SW18XA□2-◆10T● | |
| 1b[01] | SW18XA□2-◆01T● | |||||||
| 1a[10] | 直流操作形 | SW18XG□2-◆10T● | ||||||
| 1b[01] | SW18XG□2-◆01T● | |||||||
<形式>
・高容量補助接点(単接点)をご指定の場合は□に Hををご指定ください。
・◆はコイル電圧指定コードが入ります。
・●はヒートエレメント指定コードが入ります。自動リセット式は末尾に Aをご指定ください。
注1 SW09X は製作不可です。
注2 SW09X、SW12X は製作不可です。
制御コイル電圧指定コード
| コイル呼び電圧 | 指定コード | コイル電圧・周波数 |
|---|---|---|
| AC24V | E | 24V 50Hz / 24-26V 60Hz |
| AC48V | F | 48V 50Hz / 48-52V 60Hz |
| AC100V | 1 | 100V 50Hz / 100-110V 60Hz |
| AC110V | H | 100-110V 50Hz / 110-120V 60Hz |
| AC120V | K | 110-120V 50Hz / 120-130V 60Hz |
| AC200V | 2 | 200V 50Hz / 200-220V 60Hz |
| AC220V | M | 200-220V 50Hz / 220-240V 60Hz |
| AC240V | P | 220-240V 50Hz / 240-260V 60Hz |
| AC380V | S | 346-380V 50Hz / 380-420V 60Hz |
| AC400V | 4 | 380-400V 50Hz / 400-440V 60Hz |
| AC440V | T | 415-440V 50Hz / 440-480V 60Hz |
| コイル呼び電圧 | 指定コード | コイル電圧 |
|---|---|---|
| DC12V | B | DC12V |
| DC24V | E | DC24V |
| DC48V | F | DC48V |
| DC60V | G | DC60V |
| DC100V | 1 | DC100V |
| DC110V | H | DC110V |
| DC120V | K | DC120V |
| DC200V | 2 | DC200V |
| DC210V | Y | DC210V |
| DC220V | M | DC220V |
| DC24V | L | DC24V(低消費) |
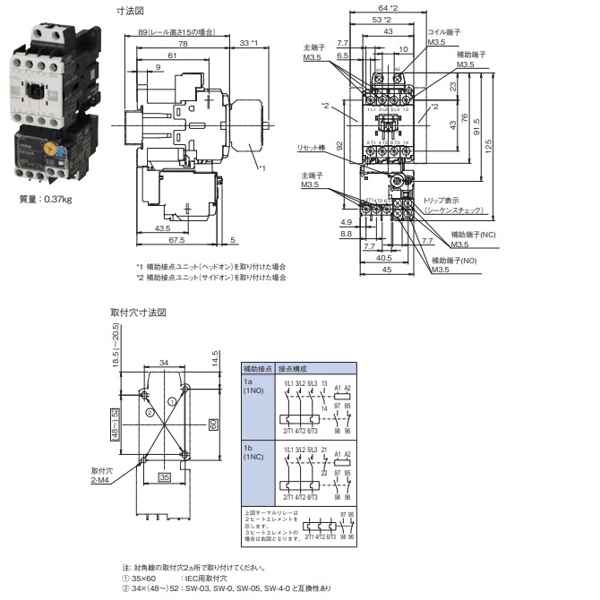
寸法図(交流操作形電磁開閉器)

寸法図(直流操作形電磁開閉器)




