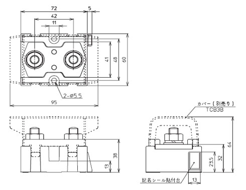
組端子台 TC300B(T、TCシリーズ)
【KASUGA】
組端子台 T、TCシリーズは、あらかじめ決められた極数で組立てられた端子台です。豊富な標準極数をラインナップしていますので、経済的な選定が行えます。
<仕様>
・使用周囲温度 :-20~+55℃(ただし、氷結または結露しないこと)
・相対湿度 :45~85%
・温度上昇 :導電金具の温度上昇値40℃以下
・絶縁抵抗 :各充電部相互間及び各充電部と取付金属板の間100MΩ以上
・商用周波耐電圧 :定格250V品 2000V1分間
定格600V品 2500V1分間
・インパルス 耐電圧 :定格250V品 4000V
定格600V品 6000V
・適合規格 :JIS C2811(工業用端子台)
<各部の材質>
・ターミナル :フェノール(黒) UL94HB
・端子ネジ部 :鉄(亜鉛メッキクロメート処理)
・導電板 :黄銅(ニッケルメッキ)
・記名シール :ファイバー
・カバー :ポリカーボネート(UL94V-0相当)
※カバー(TCB3B)は別売です。




